概述:
SL8700 是一款外圍電路簡單的多功能平均電流型LED 恒流驅動器,適用于寬電壓范圍的非隔離式大功率恒流LED 驅動領域。
芯片PWM 端口支持超小占空比的PWM 調光,可響應最小60ns脈寬。PWM 端口為高電平時,芯片正常工作。為低電平時,芯片輸出關閉。
芯片輸出電流恒流精度 ≤±3%,且輸出電流受輸入輸出電壓、系統(tǒng)電感的影響?。恍酒瑑炔考森h(huán)路補償,外圍電路簡潔,系統(tǒng)更加穩(wěn)定可靠。
芯片通過對LD 端口實現模擬調光功能。LD 接0.2-1.2V 模擬調光信號輸入時,系統(tǒng)為模擬調光模式。LD 模擬調光模式時,端口電壓低于0.2V,輸出關閉。也可以利用LD 的模擬調光特性,配合PWM 調光,實現軟啟動功能。
LD、PWM 引腳懸空時,建議與VDD 引腳短接在一起使用。
特點:
支持高輝調光,調光比65536:1
平均電流工作模式
高效率:最高可達95%
輸出電流可調范圍60mA~5A
內置5V 穩(wěn)壓管
外驅MOS
最大工作頻率1MHz
恒流精度≤±3%
支持PWM/模擬調光
支持多路共陽極輸出
調光深度可達0.1%
封裝:SOT23-6
應用領域:
景觀亮化洗墻燈
舞臺調光效果燈
高端汽車照明
LCD 背光照明
建筑照明
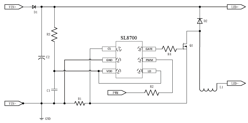
原理圖:

更詳細資料,請聯系銷售。